- ...
- Главная
- ГИДРАВЛИКА LINDE
- Гидронасосы Linde
Гидромотор Linde BMF 35
-
Рейтинг:
- Производитель:
- Модель:LB-1874
- Доступно:Есть в наличии1000
Цена:
91 000.00 р.
Есть в наличии
*Внимание! Количество товаров по акции ограничено
Нерегулиремый гидронасос Linde BMF 35 В наличии
35CC / REV С ВЫСОКИМ ДАВЛЕНИЕМ ИЗОГНУТОЙ ОСИ
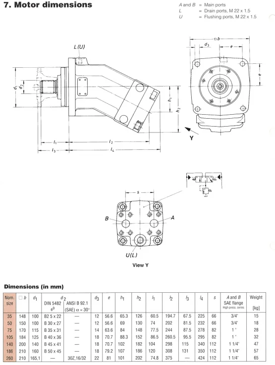
Ниже показаны характеристики и размеры гидромотора LINDE BMF 35

Гидромотор реверсивного движения:

Тип подключения шлангов с торца (задней крышки)



Пока не было вопросов.













